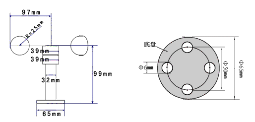
外型規格如下圖:
⊙NZ-FS室外風速傳感器 功能特點:
◆ 體積小,攜帶方便、安裝簡捷
◆ 測量精度高,量程寬,穩定性好
◆ 結構設計合理,外觀質量佳
◆ 數據信息線性度好,信號傳輸距離長,抗外界干擾能力強
⊙ NZ-FS室外風速傳感器 固定方式:
采用法蘭安裝方法,螺紋法蘭連接使風向傳感器下部 管件牢牢固定在法蘭盤上,底盤 Φ 65mm ,在 Φ 50mm 的圓周上開
四個均 Φ 6mm 的安裝孔,使用螺栓將其緊緊固定在支架上,使整套儀器保持在zui佳水平度,確保風向數據的準確性,法蘭連接使用方便,能夠承受較大的壓力。
⊙ NZ-FS室外風速傳感器 技術參數:
·精 度:± 1m/s
·啟動風力: 0.2-0.4 m/s
▲ 電壓輸出型
量 程: 0~32. 4 m/s
供電電壓: 7V~24 V DC
輸出信號: 0.4~2V
風速值 = (輸出電壓 -0.4 ) /1.6*32.4
▲ 電流輸出型
量 程: 0~32. 4 m/s
供電電壓: 12V~24V DC
輸出信號: 4~20 mA
負載能力:≤ 200 Ω
風速值 = (輸出電流 -4 ) /16*32.4
▲ 脈沖輸出型
量 程: 0~60 m/s
輸出信號:脈沖 ( 每個脈沖對應 0.88m/s)
供電電壓: 5V~24V DC
▲ 485 型
量 程: 0~32. 4 m/s
供電電壓: 7V~24V DC
通信協議: Modbus-RTU


